Index of /mr/sas/temp/


../
MAM_VF11/                                          15-Dec-2005 21:25                   -
eq/                                                03-Dec-2005 12:09                   -
hammarlack-mobil/                                  16-Nov-2005 12:24                   -
polysick/                                          17-Oct-2006 11:26                   -
04 - Korg Mono-Poly.mp3                            20-May-2008 18:44             5519492
09 - Sequential Pro-One.mp3                        20-May-2008 18:42             5049048
INVERTER3.GIF                                      13-Jun-2008 08:36                3507
Korg_Minipops120P_all.mp3                          24-Nov-2005 15:34             2957360
aint_it_swell.jpg                                  20-May-2008 18:46              414224
amore1.jpg                                         11-Jun-2008 08:40              348634
amore2.jpg                                         11-Jun-2008 08:40              281882
brokbrygd.jpg                                      24-Nov-2008 20:12              125778
defluxers.jpg                                      20-Feb-2007 19:55               65567
eriks_moog.jpg                                     24-Nov-2008 20:12               70238
fel.jpg                                            24-Mar-2005 11:11               42489
ivar1.jpg                                          08-May-2007 09:38              268379
ivar2.jpg                                          08-May-2007 09:38              201145
konstigmixerpot.gif                                09-Mar-2009 12:38                2963
konstigmixerpot.jpg                                10-Mar-2009 13:21               51479
logan_vocal_synth.jpg                              10-Mar-2008 23:18              318054
mixer_send_mute.jpg                                17-Sep-2008 12:11              174230
orgelvoltmeter.jpg                                 20-May-2008 18:51              395444
philikyrka.jpg                                     20-May-2008 18:35              191997
radioknappar.jpg                                   20-Dec-2008 11:05              461766
raett.jpg                                          24-Mar-2005 11:11               37129
sandslott.mp3                                      01-Feb-2006 10:16            14137178
sh09.pdf                                           15-Dec-2005 12:24              851698
sniffa-spray-för-lägre-iq.png                      29-Mar-2006 12:44               27610
svaellverk.jpg                                     20-May-2008 18:51              367695
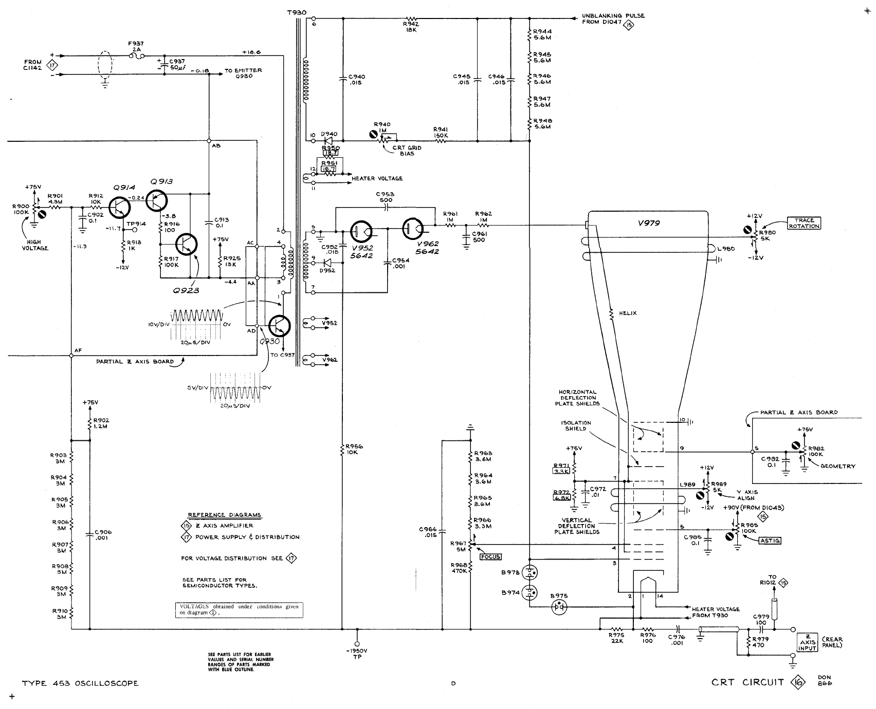
tek453_crt_circuit.png                             11-Sep-2008 21:23              150311
tek519-delay.png                                   07-Aug-2007 20:33              203735
tek535-delay.png                                   07-Aug-2007 20:33              490760
telefonist.jpg                                     12-Jan-2009 10:28               51303
vocalwsweep.PNG                                    29-Jan-2007 12:17              613188
what-album.png                                     18-Aug-2007 10:37               21927
yamaha_cs-80.jpg                                   25-Oct-2005 14:32              221864